안녕하세요.
Edward입니다.
이번에는 Pull-up과 Pull-down에 대해서 완벽하게 관찰해보겠습니다.
아래 내용 필독해주세요. Pull-up과 Pull-down을 깊이 파헤쳐보겠습니다.
시작하기에 앞서, 다른 전자 개념에 대해서 궁금하다면 아래 내용도 함께 공부해보세요 ^^
지금부터 저는 Pull-up과 Pull-down에 사용될 '0'과 '1'을 아두이노 우노에 빗대어 설명할 것입니다.
아래 설명을 이해하기 위해서 다음과 같이 선언할 테니 헷갈리지 않으셨으면 합니다 ^^
'0' = LOW = 0V
'1' = HIGH = 5V
다른 수많은 자료들을 참고하시면 알겠지만, Pull-up과 Pull-down을 설명하기 전에 플로팅의 개념부터 설명합니다.
플로팅부터 설명하는 이유는 Pull-up과 Pull-down이라는 개념이 나온 이유가 플로팅 때문입니다.
플로팅(Floating)이라는 놈은 떠있다, 부유하는, 미끄러지는, 유동적인 이라는 사전적 의미를 가지고 있습니다.
또한 플로팅이라는 개념 자체는 디지털 회로에서 파생된 것으로, 디지털 회로에서만 사용됩니다.
이 의미를 좀 더 깊게 전자회로적으로 설명드리면, 플로팅이 되었다는 것은 '0'인지 '1'인지 알 수 없는 상태입니다.

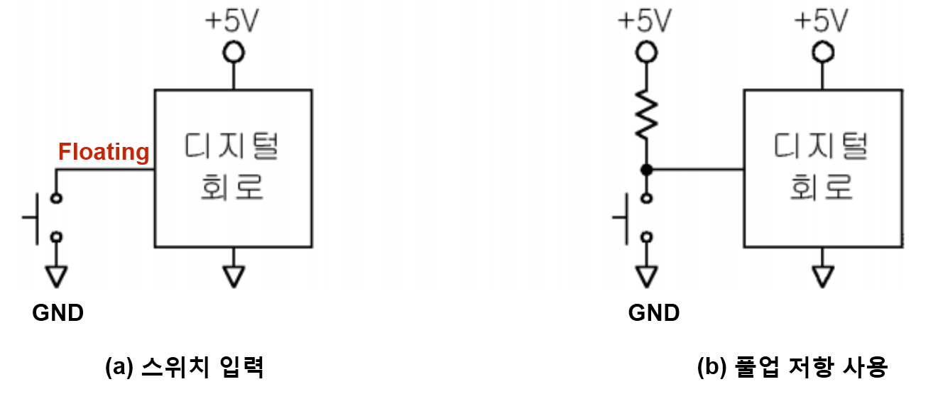
왜 '0'인지 '1'인지 알 수 없는 상태인지는 위 회로에서 볼 수 있습니다.
왼쪽 회로(a)를 보시면 디지털 회로에 스위치 1개가 GND로 연결이 되어 있습니다.
저 스위치의 심벌을 보니 눌러야지만 연결이 되는 형태네요.
그런데, 눌리지 않으면 어떤 상태일까요??
정답은 "알 수 없 음"입니다.
혹시나 사람이 손으로 저 회로에 갖다 대었을 때, 정전기가 튀었다면 '1'이 될 수 있겠네요.
그래서 우리는 Pull-up(풀업)이라는 것을 사용합니다.
'0'인지 '1'인지 확실하게 알기 위해서.
오른쪽 회로(b)처럼 풀업을 부착하면 스위치가 눌리지 않으면 '1'이 되고, 스위치가 눌리면 '0'이 됩니다.
그렇다면 Pull-down은?!
Pull-up과 동일한 개념입니다. 다만 저항의 위치가 아래 회로처럼 반대로 되어 있습니다^^

회로를 잠시 분석하면 다음과 같이 알 수 있겠네요!
저 스위치는 눌러야지만 연결이 되는 소자이고, 스위치가 눌리지 않을 때는 '0'이 디지털 회로로 연결되네요!
그리고 스위치가 눌리면 '1'이 되네요!!
여기서 한 가지 의문이 듭니다.
보통 우리가 알고 있는 전자의 개념은 전압이 높은 곳에서 낮은 곳으로 떨어진다고 알고 있습니다.
그런데, Pull-down 회로를 보면, 뭔가 이상하지 않나요??
스위치를 눌러도 '0'이 되어야 할 것만 같은데, 하지만 동작은 '1'이 됩니다.
그 이유는 저항과 전류에 있습니다.
다시 기초로 돌아가 보겠습니다.
저항이란 전류를 제한하는 역할을 합니다.
전류란 실제 구동하는 값이며, 저항이 적은 곳으로 흐르는 성질이 있습니다.
그렇다면, 아래 회로를 보실까요??
아래 (a) 회로를 보면, 굉장히 위험한 회로입니다.
저항을 연결하지 않고 바로 5V 전압을 바로 GND에 연결하면 옴의 법칙의 이론상 저항이 굉장히 적기 때문에 매우 큰 전류가 생성이 됩니다.
이 부분은 이론적인 설명을 위해서 사용하는 것입니다. 절대 테스트하지 마세요.
다시 이론 설명으로 돌아가면, 이 경우 저항이 가장 적은 곳은 GND이므로 모든 에너지가 GND로 흐릅니다.
하지만 아시다시피 (a) 회로는 사용할 수 없는 회로입니다.
그래서 플로팅을 없애면서 효과적으로 '1'과 '0'을 만들고, 과전류를 방지하기 위해서 풀 다운 저항을 부착합니다.
그래서 풀다운을 부착하면 (b) 회로에서 방금 말씀드린 낮은 저항으로 흐르는 전류의 법칙에 의해,
풀다운의 저항 값보다 디지털 회로에 연결되는 저항 값이 더 낮기 때문에 5V가 디지털 회로 측으로 흘러갑니다.
반대로 스위치를 OFF 시키면 디지털 회로 입장에서는 저항을 통해 GND가 연결되어 있으니 당연히 GND로 인식합니다.

저 한 가지를 설명하기 위해 정말 많은 자료들이 사용되었네요.
궁금한 점이 있다면 언제든 댓글 달아주세요 ^^
감사합니다.
'전자공학 > 전자회로' 카테고리의 다른 글
| [전자회로 심화 1-3] 가변 저항 완벽 이해 (2) | 2019.10.31 |
|---|---|
| [전자회로 심화 1-2] 어레이 저항 완벽 이해 (2) | 2019.10.31 |
| [전자회로 심화 1-1] 금속 저항 완벽 이해 (2) | 2019.10.30 |
| [전자회로 입문 2] 아날로그와 디지털 개념 (0) | 2019.10.29 |
| [전자회로 입문 1] 저항 완벽 이해 (0) | 2019.10.29 |